1000W3000转 24V110法兰直流无刷电机
-
QW110F2H05N301000
-
110低压无刷电机
-
奇沃/QIWO
-
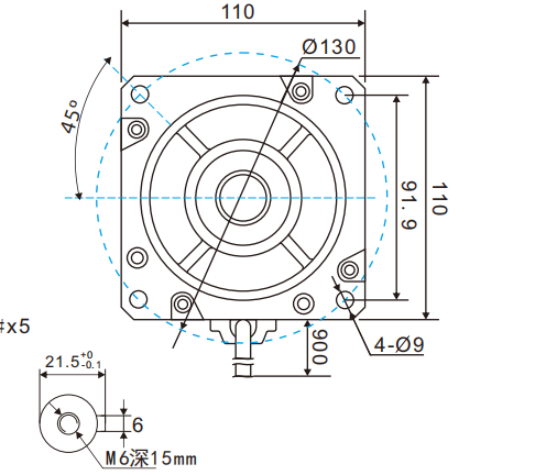
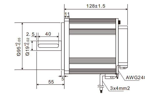
110*110
-
3
-
10
-
24V
-
1000W
-
3000RPM
-
3.2
-
4.15
-
轴,法兰,端盖,线,减速机,刹车等
-
BLD100A
-
关于电机定制,驱动器定制,电机控制器减速机方案选型问题请咨询 周工 13308458470


电机参数表 参数(Parameter) 单位(Unit) 数值/规格(Value/Spec) 电阻(Resistance) Ω ±10% 电感(Inductance) mH ±20% 额定电压(Rated Voltage) V 24DC 额定功率(Rated power) W 1000 额定转速(Rated Speed) RPM 3000 额定电流(Rated Current) A 60 额定转矩(Rated Torque) N.M 3.2 峰值电流(Peak Current) A 72 峰值扭矩(Peak Torque) N.M 3.84 反电势常数Ke(RMSL-L) V/kRPM 4 极数(No of poles) 10 绝缘等级(Insulation Class) F 重量(Weight) KG 4.15 工作温度 0-50℃ 湿度 90%RH,不结霜状态s90%RH 海拔高度 ≤1000m 振动 ≤0.5G 绕组类型 星形 电角度 120°c 绝缘等级 B 使用环境温度 -20°C~50°C 绝缘电阻 100MΩMin.500VC DC 介电强度 500v AC 1 minute
