70W3000转 24V57法兰直流无刷电机
-
QW57F2H03N3070
-
57低压无刷电机
-
奇沃/QIWO
-
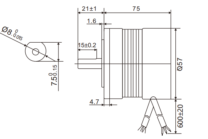
57*57
-
3
-
4
-
24V
-
70W
-
3000RPM
-
0.22
-
0.75kg
-
轴,法兰,端盖,线,减速机,刹车等
-
BLD300
-
关于电机定制,驱动器定制,电机控制器减速机方案选型问题请咨询 周工 13308458470


电机参数表 - 57法兰70W3000转 参数名称 单位 数值 额定功率(Rated Power) W 70 极数(Number of Poles) 4 相数(Number of Phases) 3 额定电压(Rated Voltage) V 24 额定转速(Rated Speed) RPM 3000 额定扭矩(Rated Torque) N.M 0.22 额定电流(Rated Current) A 4.8 峰值扭矩(Peak Torque) N.M 0.264 峰值电流(Peak Current) A 5.76 力矩常数(Torque Constant) N.M/A 0.06 反势力常数Ke(RMSL-L) V/kRPM 6.6 转动惯量(Rotary Inertia) g.cm 119 机身长度(Motor Length) mm 75 重量(Weight) kg 0.75 工作温度 0-50℃ 湿度 90%RH,不结霜状态s90%RH 海拔高度 ≤1000m 振动 ≤0.5G 绕组类型 星形 电角度 120°c 绝缘等级 B 使用环境温度 -20°C~50°C 绝缘电阻 100MΩMin.500VC DC 介电强度 500v AC 1 minute
