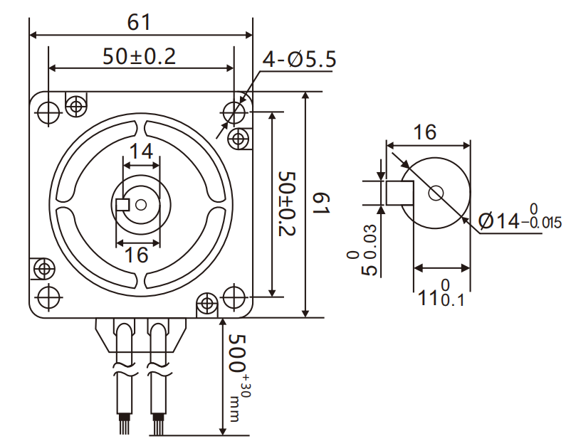
200W 24V60法兰轴14mm直流无刷电机
-
QW60F2H03N30200-14
-
60低压无刷电机
-
奇沃/QIWO
-
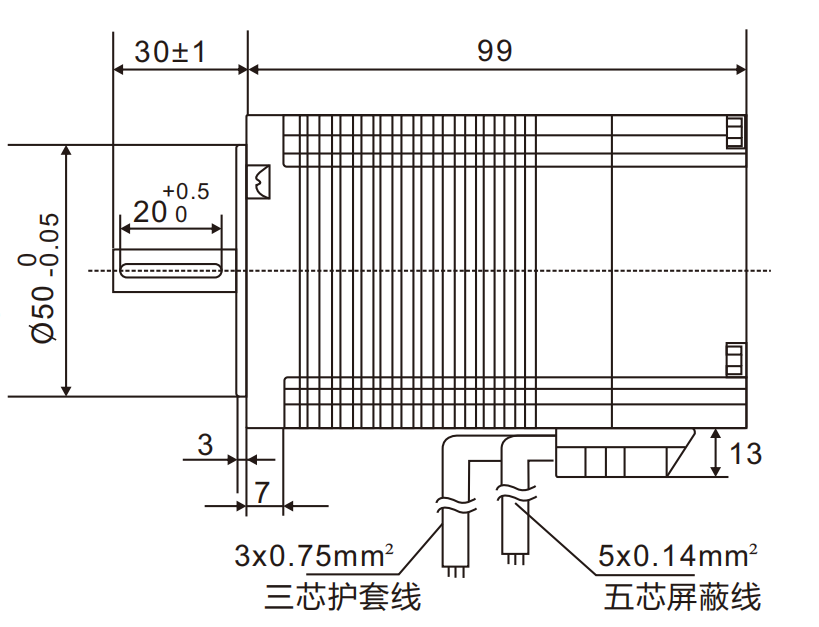
60*60
-
3
-
8
-
24V
-
200W
-
3000RPM
-
0.65
-
1.25kg
-
轴,法兰,端盖,线,减速机,刹车等
-
BLD300
-
关于电机定制,驱动器定制,电机控制器减速机方案选型问题请咨询 周工 13308458470


电机参数表 参数名称 单位 数值 额定功率 (Rated Power) W 200 极数 (Number of Poles) 8 相数 (Number of Phases) 3 额定电压 (Rated Voltage) V 24 额定转速 (Rated Speed) RPM 3000 额定扭矩 (Rated Torque) N·m 0.65 额定电流 (Rated Current) A 6.5 峰值扭矩 (Peak Torque) N·m 0.78 峰值电流 (Peak Current) A 7.8 扭矩常数 (Torque Constant) N·m/A 0.06 反电动势常数 (Ke(RMS L-L)) V/kRPM 4.2 转动惯量 (Rotary Inertia) g·cm² 0.48 电机长度 (Motor Length) mm 99 重量 (Weight) kg 1.25 工作温度 0-50℃ 湿度 90%RH,不结霜状态s90%RH 海拔高度 ≤1000m 振动 ≤0.5G 绕组类型 星形 电角度 120°c 绝缘等级 B 使用环境温度 -20°C~50°C 绝缘电阻 100MΩMin.500VC DC 介电强度 500v AC 1 minute
