235W3000转 48V80法兰直流无刷电机
-
QW80F4H03N30235
-
80低压无刷电机
-
奇沃/QIWO
-
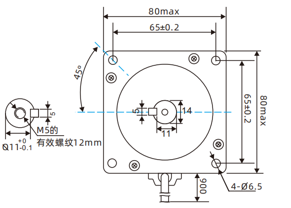
80*80
-
3
-
8
-
48V
-
235W
-
3000RPM
-
0.75
-
1.95kg
-
轴,法兰,端盖,线,减速机,刹车等
-
BLD300
-
关于电机定制,驱动器定制,电机控制器减速机方案选型问题请咨询 周工 13308458470


Motor Specifications 参数 (Parameter) 单位 (Unit) 值 (Value) 相数 (Number of Phase) - 3 极数 (Number of Poles) - 8 额定电压 (Rated Voltage) V 48 空载转速 (No Load Speed) RPM 3900 额定转速 (Rated Speed) RPM 3000 空载电流 (No Load Current) A 0.7 额定电流 (Rated Current) A 7 额定转矩 (Rated Torque) N.M 0.75 额定功率 (Rated Power) W 235 电阻 (Resistance) Ω 0.35Ω ±10% 电感 (Inductance) mH 0.8–0.9mH ±20% 绝缘电阻 (Insulation Resistance) MΩ 100MΩ min (500VDC) 介电强度 (Dielectric Strength) VAC 1500VAC 1 minute 转动方向 (Direction Of Rotation) - 顺时针 (CW) 绝缘等级 (Insulation Class) - B 重量 (Weight) KG 1.95 工作温度 0-50℃ 湿度 90%RH,不结霜状态s90%RH 海拔高度 ≤1000m 振动 ≤0.5G 绕组类型 星形 电角度 120°c 绝缘等级 B 使用环境温度 -20°C~50°C 绝缘电阻 100MΩMin.500VC DC 介电强度 500v AC 1 minute
