3000W3000转 380V130法兰直流无刷电机
-
QW130F8H02N303000
-
130高压无刷电机
-
奇沃/QIWO
-
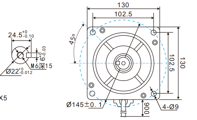
130*130
-
3
-
10
-
380V
-
3000W
-
3000RPM
-
9.6
-
-
轴,法兰,端盖,线,减速机,刹车等
-
QW-HV-01BL、06-2200系列
-
关于电机定制,驱动器定制,电机控制器减速机方案选型问题请咨询 周工 13308458470


参数名称 单位 参数值 线电阻 (Resistance) Ω Ω±10% 线电感 (Inductance) mH mH±20% 额定电压 (Rated Voltage) VAC 380 额定功率 (Rated power) W 3000 额定转速 (Rated Speed) RPM 3000 额定电流 (Rated Current) A 8.7 额定转矩 (Rated Torque) N.M 9.6 峰值电流 (Peak Current) A 10.44 峰值扭矩 (Peak Torque) N.M 11.52 反电动势常数 Ke (RMSL-L) V/kRPM 84 极数 (No of poles) - 10 绝缘等级 (Insulation Class) - F 防护等级 (Safety Class) - Ip65 工作温度 0-50℃ 湿度 90%RH,不结霜状态s90%RH 海拔高度 ≤1000m 振动 ≤0.5G 绕组类型 星形 电角度 120°c 绝缘等级 B 使用环境温度 -20°C~50°C 绝缘电阻 100MΩMin.500VC DC 介电强度 500v AC 1 minute
