450W4500转 220V80法兰直流无刷电机
-
QW80F6H01G45450
-
80系列1高压无刷电机
-
奇沃/QIWO
-
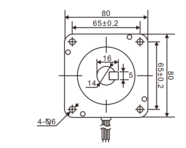
80*80
-
3
-
6
-
310V
-
450W
-
4500RPM
-
1.00
-
1.7kg
-
轴,法兰,端盖,线,减速机,刹车等
-
QW-HV-01BL
-
关于电机定制,驱动器定制,电机控制器减速机方案选型问题请咨询 周工 13308458470


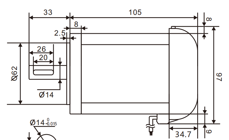
Parameter Unit Value Rated Power W 450 Number of Poles - 6 Rated Voltage V 310 Rated Speed RPM 4500 Rated Torque N·m 1.00 Rated Current A 1.94 Peak Torque N·m 1.2 Peak Current A 2.328 Torque Constant N·m/A 0.48 Back EMF Constant Ke(RMS L-L) V/kRPM 36 Motor Length mm 105 Weight kg 1.7 工作温度 0-50℃ 湿度 90%RH,不结霜状态s90%RH 海拔高度 ≤1000m 振动 ≤0.5G 绕组类型 星形 电角度 120°c 绝缘等级 B 使用环境温度 -20°C~50°C 绝缘电阻 100MΩMin.500VC DC 介电强度 500v AC 1 minute
