1200W3000转 220V80法兰直流无刷电机
-
QW80F6H01G301200
-
80系列1高压无刷电机
-
奇沃/QIWO
-
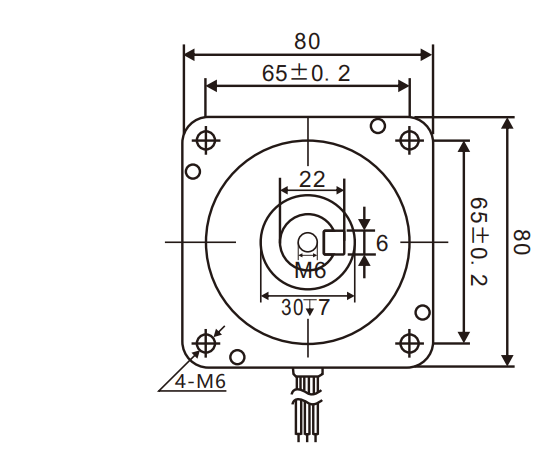
80*80
-
3
-
8
-
310V
-
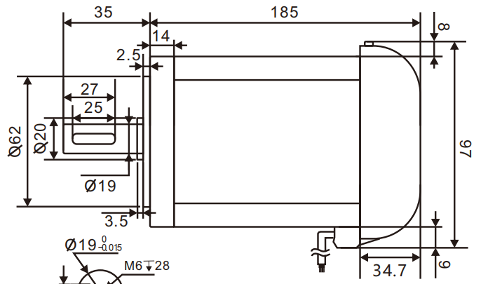
1200W
-
3000RPM
-
3.82
-
5kg
-
轴,法兰,端盖,线,减速机,刹车等
-
QW-HV-01BL
-
关于电机定制,驱动器定制,电机控制器减速机方案选型问题请咨询 周工 13308458470


参数(Parameter) 单位(Unit) 值(Value) 额定功率(Rated Power) W 1200 极数(Number of Poles) - 8 额定电压(Rated Voltage) V 310 额定转速(Rated Speed) RPM 3000 额定转矩(Rated Torque) N·m 3.82 额定电流(Rated Current) A 5.2 峰值扭矩(Peak Torque) N·m 4.584 峰值电流(Peak Current) A 6.24 力矩常数(Torque Constant) N·m/A 0.72 反电势常数Ke(RMS L-L) V/kRPM 55 机身长度(Motor Length) mm 185 重量(Weight) kg 5 工作温度 0-50℃ 湿度 90%RH,不结霜状态s90%RH 海拔高度 ≤1000m 振动 ≤0.5G 绕组类型 星形 电角度 120°c 绝缘等级 B 使用环境温度 -20°C~50°C 绝缘电阻 100MΩMin.500VC DC 介电强度 500v AC 1 minute
