750W3000转 220V86法兰直流无刷电机
-
QW86F6H03N30750
-
86高压无刷电机
-
奇沃/QIWO
-
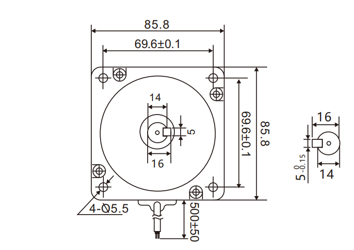
86*86
-
3
-
8
-
310V
-
750W
-
3000RPM
-
2.4
-
3.95kg
-
轴,法兰,端盖,线,减速机,刹车等
-
QW-HV-01BL、06-750、QW-12系列
-
关于电机定制,驱动器定制,电机控制器减速机方案选型问题请咨询 周工 13308458470


参数名称 单位 数值 相数Number of Phases- 3 极数Number of Poles- 8 额定电压Rated VoltageV 310 空载转速No load SpeedRPM 3800 额定转速Rated SpeedRPM 3000 空载电流No load CurrentA 0.8 额定电流Rated CurrentA 13 额定扭矩Rated TorqueN·M 2.4 额定功率Rated PowerW 750 峰值扭矩Peak TorqueN·M 2.88 峰值电流Peak CurrentA 15.6 绝缘等级Insulation Class- B 重量Weightkg 3.95 工作温度 0-50℃ 湿度 90%RH,不结霜状态s90%RH 海拔高度 ≤1000m 振动 ≤0.5G 绕组类型 星形 电角度 120°c 绝缘等级 B 使用环境温度 -20°C~50°C 绝缘电阻 100MΩMin.500VC DC 介电强度 500v AC 1 minute
