6000W6000转 220V130法兰05系列直流无刷电机
-
QW130F6H05N606000
-
130法兰高速无刷电机
-
奇沃/QIWO
-
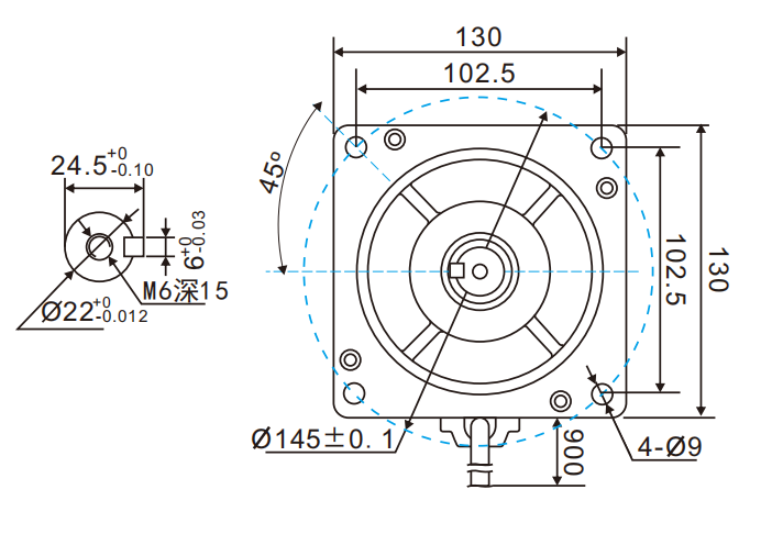
130*130
-
3
-
10
-
310V
-
6000W
-
6000RPM
-
9.6
-
6.1kg
-
轴,法兰,端盖,线,减速机,刹车等
-
QW-HV-01BL、06-2200系列
-
关于电机定制,驱动器定制,电机控制器减速机方案选型问题请咨询 周工 13308458470


参数名称 (Parameter Name) 单位 (Unit) 数值/规格 (Value/Specification) 额定电压 (Rated Voltage) V 310DC 额定功率 (Rated Power) W 6000 额定转矩 (Rated Torque) N.M 9.6 额定电流 (Rated Current) A 26 额定转速 (Rated Speed) RPM 6000 峰值扭矩 (Peak Torque) N.M 11.52 峰值电流 (Peak Current) A 31.2 极数 (No of Poles) 10 转动惯量 (Rotor Inertia) Kg.cm² 13.7 反电动势常数 Ke (RMS L-L) V/kRPM 25 转矩常数 Kt (Torque Constant) Nm/A 0.37 线电阻 (Resistance) Ω 0.13±10% 线电感 (Inductance) mH 0.7±20% 最大径向力 (Max Radial Force) N 720 最大轴向力 (Max Axial Force) N 360 绝缘等级 (Insulation Class) F 防护等级 (Protection Class) IP54(轴端除外) 重量 (Weight) KG 6.1 工作温度 0-50℃ 湿度 90%RH,不结霜状态s90%RH 海拔高度 ≤1000m 振动 ≤0.5G 绕组类型 星形 电角度 120°c 绝缘等级 B 使用环境温度 -20°C~50°C 绝缘电阻 100MΩMin.500VC DC 介电强度 500v AC 1 minute
