450W10000转 220V80法兰直流无刷电机
-
QW80F6H01G100450
-
80高速无刷电机
-
奇沃/QIWO
-
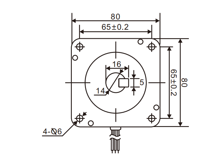
80*80
-
3
-
6
-
310V
-
450W
-
10000RPM
-
0.43
-
1.7kg
-
轴,法兰,端盖,线,减速机,刹车等
-
QW-HV-01BL
-
关于电机定制,驱动器定制,电机控制器减速机方案选型问题请咨询 周工 13308458470


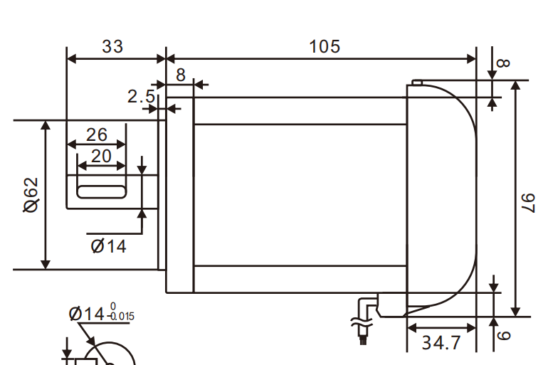
电机参数表 - QW80F6H01G100450-2 参数名称 符号/单位 数值 额定功率 Rated power (W) 450 极数 Number of Poles 6 额定电压 Rated Voltage (V) 310 额定转速 Rated Speed (RPM) 10000 额定转矩 Rated Torque (N·m) 0.43 额定电流 Rated Current (A) 1.94 峰值扭矩 Peak Torque (N·m) 0.516 峰值电流 Peak Current (A) 5.82 力矩常数 Torque Constant (N·m/A) 0.21 反电动势常数 Back EMF Constant Ke (V/kRPM, RMS L-L) 16 机身长度 Motor Length (mm) 105 重量 Weight (kg) 1.7 工作温度 0-50℃ 湿度 90%RH,不结霜状态s90%RH 海拔高度 ≤1000m 振动 ≤0.5G 绕组类型 星形 电角度 120°c 绝缘等级 B 使用环境温度 -20°C~50°C 绝缘电阻 100MΩMin.500VC DC 介电强度 500v AC 1 minute
