200W 24V60法兰轴8mm直流无刷电机
-
QW60F2H03N30200-8
-
60低压无刷电机
-
奇沃/QIWO
-
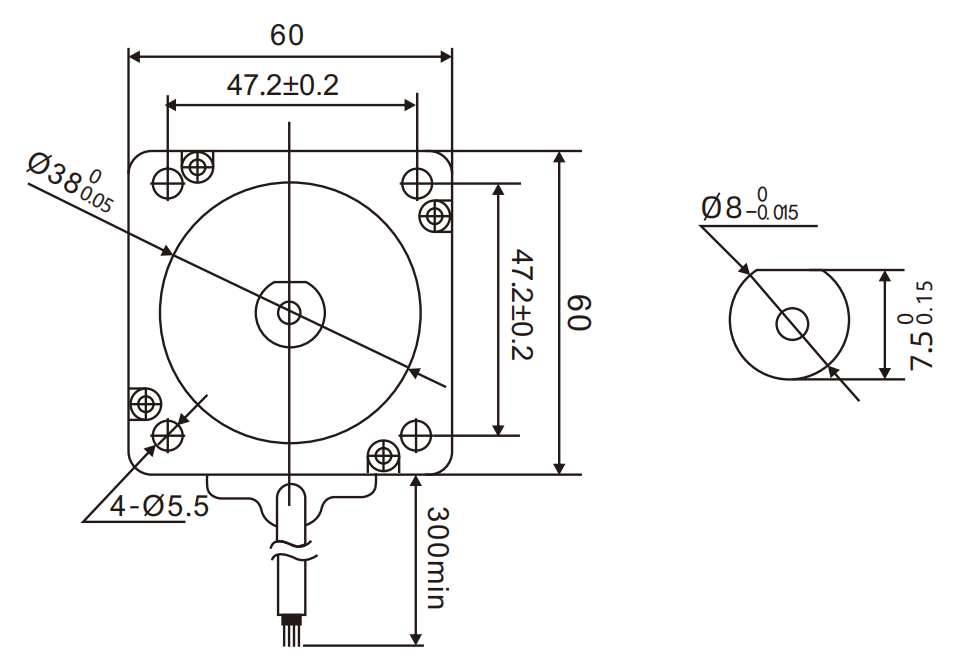
60*60
-
3
-
8
-
24V
-
200W
-
3000RPM
-
0.65
-
1.25kg
-
轴,法兰,端盖,线,减速机,刹车等
-
BLD300
-
关于电机定制,驱动器定制,电机控制器减速机方案选型问题请咨询 周工 13308458470


参数名称 单位 数值 额定功率(Rated Power) W 200 极数(Number of Poles) - 8 相数(Number of Phases) - 3 额定电压(Rated Voltage) V 24 额定转速(Rated Speed) RPM 3000 额定扭矩(Rated Torque) N·M 0.65 额定电流(Rated Current) A 6.5 峰值扭矩(Peak Torque) N·M 0.78 峰值电流(Peak Current) A 7.8 扭矩常数(Torque Constant) N·M/A 0.06 反势力常数(Ke(RMSL-L)) V/kRPM 4.2 转动惯量(Rotary Inertia) g·cm 0.48 电机长度(Motor Length) mm 99 重量(Weight) kg 1.25 工作温度 0-50℃ 湿度 90%RH,不结霜状态s90%RH 海拔高度 ≤1000m 振动 ≤0.5G 绕组类型 星形 电角度 120°c 绝缘等级 B 使用环境温度 -20°C~50°C 绝缘电阻 100MΩMin.500VC DC 介电强度 500v AC 1 minute
