300W 48V60法兰轴8mm直流无刷电机
-
QW60F4H03N30300-8
-
60低压无刷电机
-
奇沃/QIWO
-
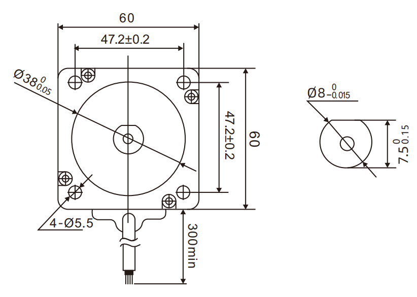
60*60
-
3
-
8
-
48V
-
300W
-
3000RPM
-
0.95
-
1.65kg
-
轴,法兰,端盖,线,减速机,刹车等
-
BLD300
-
关于电机定制,驱动器定制,电机控制器减速机方案选型问题请咨询 周工 13308458470


电机参数表 参数名称 单位 数值 额定功率(Rated Power) (W) 300 极数(Number of Poles) - 8 相数(Number of Phases) - 3 额定电压(Rated Voltage) (V) 48 额定转速(Rated Speed) (RPM) 3000 额定扭矩(Rated Torque) (N·M) 0.95 额定电流(Rated Current) (A) 9.5 峰值扭矩(Peak Torque) (N·M) 1.14 峰值电流(Peak Current) (A) 11.4 扭矩常数(Torque Constant) (N·M/A) 0.09 反电动势常数(Ke(RMSL-L)) (V/kRPM) 6.4 转动惯量(Rotary Inertia) (g·cm) 0.72 电机长度(Motor Length) (mm) 120 重量(Weight) (kg) 1.65 工作温度 0-50℃ 湿度 90%RH,不结霜状态s90%RH 海拔高度 ≤1000m 振动 ≤0.5G 绕组类型 星形 电角度 120°c 绝缘等级 B 使用环境温度 -20°C~50°C 绝缘电阻 100MΩMin.500VC DC 介电强度 500v AC 1 minute
