2000W3000转 110V110法兰02系列直流无刷电机
-
QW110F7H02N302000
-
110高压无刷电机
-
奇沃/QIWO
-
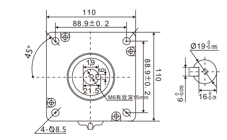
110*110
-
3
-
8
-
155V
-
2000W
-
3000RPM
-
6.4
-
7.5kg
-
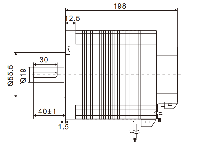
轴,法兰,端盖,线,减速机,刹车等
-
QW-HV-01BL、06-2200系列
-
关于电机定制,驱动器定制,电机控制器减速机方案选型问题请咨询 周工 13308458470


电机参数表 - QW110F7H02N302000-2 参数名称 单位 数值 额定电压 (Rated Voltage) V 155DC 额定功率 (Rated Power) W 2000 额定转矩 (Rated Torque) N·m 6.4 额定电流 (Rated Current) A 17.2 额定转速 (Rated Speed) RPM 3000 峰值扭矩 (Peak Torque) N·m 7.68 峰值电流 (Peak Current) A 20.64 空载电流 (No Load Current) A 1.2 线电阻 (Resistance) Ω ±10% 线电感 (Inductance) mH ±20% 反电动势常数Ke (RMS L-L) V/kRPM 27 转动惯量 (Rotor Inertia) kg·cm² 6.4 极数 (No. of Poles) - 8 最大径向力 (Max Radial Force) N 620 最大轴向力 (Max Axial Force) N 310 绝缘等级 (Insulation Class) - B 重量 (Weight) kg 7.5 工作温度 0-50℃ 湿度 90%RH,不结霜状态s90%RH 海拔高度 ≤1000m 振动 ≤0.5G 绕组类型 星形 电角度 120°c 绝缘等级 B 使用环境温度 -20°C~50°C 绝缘电阻 100MΩMin.500VC DC 介电强度 500v AC 1 minute
