1500W3000转 220V110法兰02系列直流无刷电机
-
QW110F6H02N301500
-
110高压无刷电机
-
奇沃/QIWO
-
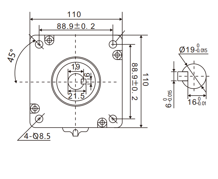
110*110
-
3
-
8
-
310V
-
1500W
-
3000RPM
-
4.8
-
7.5kg
-
轴,法兰,端盖,线,减速机,刹车等
-
QW-HV-01BL、06-2200系列
-
关于电机定制,驱动器定制,电机控制器减速机方案选型问题请咨询 周工 13308458470


电机参数表 参数 单位 数值 额定功率(Rated Power) W 1500 极数(No of poles) 8 额定电压(Rated Voltage) V 310DC 额定转速(Rated Speed) RPM 3000 额定转矩(Rated Torque) N.M 4.8 额定电流(Rated Current) A 6.6 峰值扭矩(Peak Torque) N.M 5.76 峰值电流(Peak Current) A 7.92 力矩常数(Torque Constant) N.M/A 6.4 反势力常数Ke(RMSL-L) V/kRPM 27 机身长度(Motor Length) mm 168 重量(Weight) KG 7.5 工作温度 0-50℃ 湿度 90%RH,不结霜状态s90%RH 海拔高度 ≤1000m 振动 ≤0.5G 绕组类型 星形 电角度 120°c 绝缘等级 B 使用环境温度 -20°C~50°C 绝缘电阻 100MΩMin.500VC DC 介电强度 500v AC 1 minute
