4000W6000转 220V110法兰05系列直流无刷电机
-
QW110F6H05N604000
-
110高压无刷电机
-
奇沃/QIWO
-
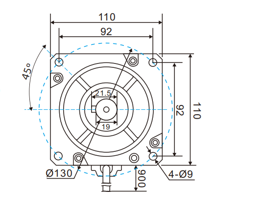
110*110
-
3
-
10
-
310V
-
4000W
-
6000RPM
-
6.4
-
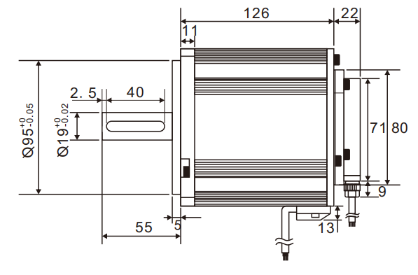
5.15kg
-
轴,法兰,端盖,线,减速机,刹车等
-
QW-HV-01BL、06-2200系列
-
关于电机定制,驱动器定制,电机控制器减速机方案选型问题请咨询 周工 13308458470


电机参数表 参数名称 单位 值 额定电压(Rated Voltage) V 310 额定功率(Rated power) W 4000 额定转矩(Rated Torque) N.M 6.4 额定电流(Rated Current) A 17 额定转速(Rated Speed) RPM 6000 峰值扭矩(Peak Torque) N.M 7.68 峰值电流(Peak Current) A 20.4 极数(No of poles) - 10 转子惯性(Rotor Inertia) Kg.cm² 4.1 反势力常数Ke(RMSL-L) V/kRPM 27.5 转矩常数Torque constant Kt(Nm/A) 0.377 线电阻(Resistance) Ω ±10% 线电感(Inductance) mH ±20% 最大径向力(Max radial force) N 620 最大轴向力(Max axial force) N 310 绝缘等级(Insulation Class) - F 防护等级(Safety Class) - IP54(轴端除外) 重量(Weight) KG 5.15 工作温度 0-50℃ 湿度 90%RH,不结霜状态s90%RH 海拔高度 ≤1000m 振动 ≤0.5G 绕组类型 星形 电角度 120°c 绝缘等级 B 使用环境温度 -20°C~50°C 绝缘电阻 100MΩMin.500VC DC 介电强度 500v AC 1 minute
