3000W3000转 110V110法兰02系列直流无刷电机
-
QW110F7H02N303000
-
110高压无刷电机
-
奇沃/QIWO
-
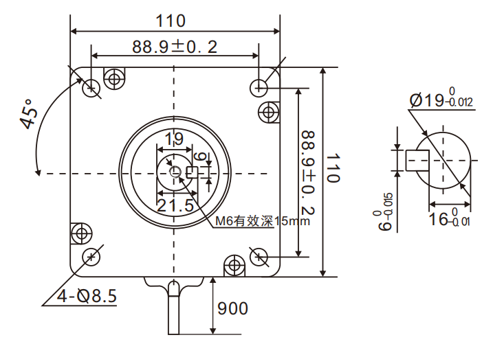
110*110
-
3
-
8
-
155V
-
3000W
-
3000RPM
-
9.6
-
9.5kg
-
轴,法兰,端盖,线,减速机,刹车等
-
QW-HV-01BL、06-2200系列
-
关于电机定制,驱动器定制,电机控制器减速机方案选型问题请咨询 周工 13308458470


参数 数值 单位 备注 额定电压 Rated Voltage 155 V DC 额定功率 Rated Power 3000 W 额定转矩 Rated Torque 9.6 N·m 额定电流 Rated Current 26 A 额定转速 Rated Speed 3000 RPM 峰值扭矩 Peak Torque 11.52 N·m 峰值电流 Peak Current 31.2 A 空载电流 No Load Current 3 A 线电阻 Resistance — Ω ±10% 线电感 Inductance — mH ±20% 反电势常数 Ke (RMS L-L) 27.5 V/kRPM 转动惯量 Rotor Inertia 9.6 kg·cm² 极数 No. of Poles 8 — 最大径向力 Max Radial Force 620 N 最大轴向力 Max Axial Force 310 N 绝缘等级 Insulation Class B — 重量 Weight 9.5 kg 工作温度 0-50℃ 湿度 90%RH,不结霜状态s90%RH 海拔高度 ≤1000m 振动 ≤0.5G 绕组类型 星形 电角度 120°c 绝缘等级 B 使用环境温度 -20°C~50°C 绝缘电阻 100MΩMin.500VC DC 介电强度 500v AC 1 minute
