3000W16000转 220V80法兰直流无刷电机
-
QW80F6H06N1603000
-
80高速无刷电机
-
奇沃/QIWO
-
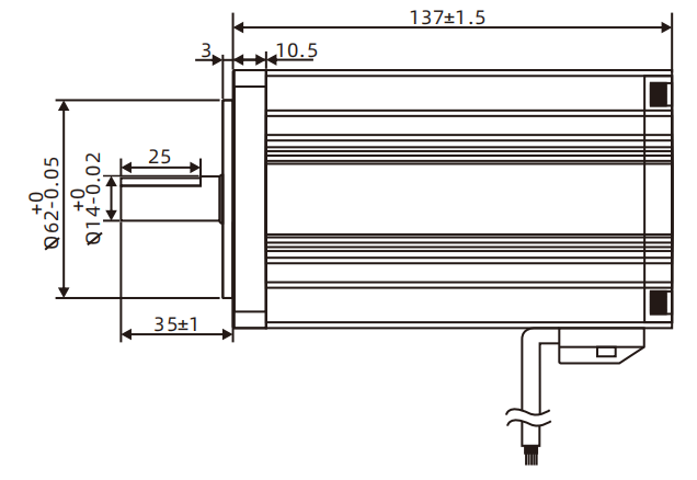
80*80
-
3
-
4
-
310V
-
3000W
-
16000RPM
-
1.8
-
3kg
-
轴,法兰,端盖,线,减速机,刹车等
-
QW-HV-01BL、06-2200系列
-
关于电机定制,驱动器定制,电机控制器减速机方案选型问题请咨询 周工 13308458470


参数项 (Parameter) 单位 (Unit) 规格 (Specification) 电阻 (Resistance) Ω ±10% 电感 (Inductance) mH ±20% 额定电压 (Rated Voltage) V 310 DC 额定功率 (Rated Power) W 3000 额定转速 (Rated Speed) RPM 16000 额定电流 (Rated Current) A 13 额定转矩 (Rated Torque) N·M 1.8 峰值电流 (Peak Current) A 26 峰值扭矩 (Peak Torque) N·M 3.6 反电势常数 Ke (RMS L-L) V/kRPM 11 转子惯性 (Rotor Inertia) Kg·cm² — 极数 (Number of Poles) — 4 重量 (Weight) KG 3 绝缘等级 (Insulation Class) — B 工作温度 0-50℃ 湿度 90%RH,不结霜状态s90%RH 海拔高度 ≤1000m 振动 ≤0.5G 绕组类型 星形 电角度 120°c 绝缘等级 B 使用环境温度 -20°C~50°C 绝缘电阻 100MΩMin.500VC DC 介电强度 500v AC 1 minute
