450W5500转 220V80法兰直流无刷电机
-
450W4500转 220V80法兰直流无刷电机
-
80高速无刷电机
-
奇沃/QIWO
-
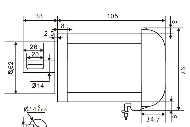
80*80
-
3
-
6
-
310V
-
450W
-
5500RPM
-
0.78
-
1.7kg
-
轴,法兰,端盖,线,减速机,刹车等
-
QW-HV-01BL
-
关于电机定制,驱动器定制,电机控制器减速机方案选型问题请咨询 周工 13308458470


参数项 (Parameter) 单位 (Unit) 数值 (Value) 额定功率 (Rated Power) W 450 极数 (Number of Poles) - 6 额定电压 (Rated Voltage) V 310 额定转速 (Rated Speed) RPM 5500 额定转矩 (Rated Torque) N·M 0.78 额定电流 (Rated Current) A 1.94 峰值扭矩 (Peak Torque) N·M 0.936 峰值电流 (Peak Current) A 2.328 力矩常数 (Torque Constant) N·M/A 0.39 反势力常数 Ke (RMS L-L) V/kRPM 30 机身长度 (Motor Length) mm 105 重量 (Weight) kg 1.7 工作温度 0-50℃ 湿度 90%RH,不结霜状态s90%RH 海拔高度 ≤1000m 振动 ≤0.5G 绕组类型 星形 电角度 120°c 绝缘等级 B 使用环境温度 -20°C~50°C 绝缘电阻 100MΩMin.500VC DC 介电强度 500v AC 1 minute
